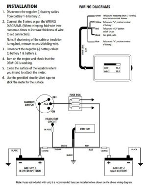
DBM100 HSMCD21237150
Projecta Dual Battery Monitor
DBM100
An intelligent and compact dual voltage meter ideal for monitoring twin battery installations often found in 4WD and caravan applications. You can mount it on the dash via the supplied adhesive tape or anywhere else you like. Has different modes, like dual monitor or full screen on one battery at a time. You can also hook it into the headlight circuit to dim the unit at night time.
Attractive unit that compliments modern 4WD interiors
Selectable screen modes – dual, single readout, alarm mode and more
Voltage Alarm – user can select the trigger points
Brightness control via menu
Scroll wheel switch on side of unit
Ideal for monitoring the caravan’s battery voltage whilst travelling












